Жилой загородный дом. S = 230 м.кв. Рощино
Назначение объекта: Жилой дом для периодичного проживания
Общая S (кв.м): 230 кв.м
Материал стен здания: Деревянное полуовальное бревно — Лафет
Количество этажей: 2 этажа
Местоположение: Ленинградская обл., Выборгский р-он, п. Рощино
Источник энергии: Сжиженный газ + электричество
Общая S (кв.м): 230 кв.м
Материал стен здания: Деревянное полуовальное бревно — Лафет
Количество этажей: 2 этажа
Местоположение: Ленинградская обл., Выборгский р-он, п. Рощино
Источник энергии: Сжиженный газ + электричество
Проектируемая котельная установленной мощностью 30 кВт предназначена для теплоснабжения жилого дома по адресу: Ленинградская область, Выборгский район, пос. Рощино и является:
- Автономной
- Водогрейной с температурой теплоносителя до 80 С.
- Отопительной (по назначению)
- Автоматической (без постоянного присутствия обслуживающего персонала)
- Водогрейной с температурой теплоносителя до 80 С.
- Отопительной (по назначению)
- Автоматической (без постоянного присутствия обслуживающего персонала)
Котельная расположена на первом этаже на отм. 0.00, в отдельном помещении с выходом на улицу. Размеры котельной в плане составляют 1.59х4.80 м. высота потолка 3 м.
Из помещения предусматривается один выход на улицу через наружную дверь.
Ограждающие конструкции:
- несгораемые и парогазонепроницаемые стены с пределом огнестойкости 1.0 часа;
- по степени огнестойкости II;
- по степени огнестойкости II;
В качестве легко сбрасываемых конструкций предусмотреть окно площадью остекления 0,03 м.кв. на 1 м.куб. объема помещения.
Климатологические данные района строительства для расчета характерных режимов работы котельной приняты в соответствии со СНиП 23-01-99* «Строительная климатология и геофизика».
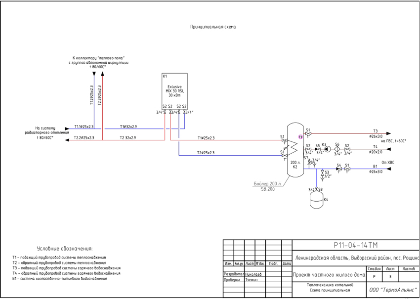
К установке принято настенный отопительный газовый котел Exlusive, 30 кВт, фирмы «Beretta» (Италия), имеющий сертификат соответствия и разрешение Госгортехнадзора РФ на применение. Все вспомогательное оборудование располагается в помещении котельной. Котел устанавливается непосредственно на стене, бойлер устанавливаются в санузле первого этаж, а остальное оборудование располагается по стенам помещения и непосредственно на трубопроводах.
Котел является одноконтурным с возможностью подключения бака водонагревателя косвенного нагрева, котел работает на контур системы отопления радиаторами с параметрами теплоносителя 80/60 Со и систему «теплый пол» с группой автономной циркуляции и насосом с параметрами теплоносителя 45/35 град. С.
Для приготовления горячей воды, предусмотрен бойлер ГВС косвенного нагрева SB200 фирмы «Reflex» (Германия) объемом 200 л., установленный в помещении котельной с последующей разводкой по потребителям, температура горячей воды град 60 С. Максимальная производительность бойлера 457 л/ч при температуре подающей линии теплоносителя 80 град С.
Дымовые газы удаляются от котла по коаксиальному дымоходу ?60/100 мм., непосредственно выведенного через наружную стену.
Расстановка котельного оборудования

Тепломеханика котельной. Принципиальная схема

